Частотный преобразователь серии S230 – это векторный инвертор с высоким крутящим моментом.
Инверторы этой серии обеспечивают управление асинхронными двигателями переменного тока и
синхронными двигателями с постоянными магнитами.
Они используются для привода различного производственного оборудования, включая
текстильное, пищевое, упаковочное, насосы, вентиляторы и т.д.
ОСОБЕННОСТИ:
Все применения, где требуется и не требуется векторное управление с замкнутым контуром (наличие энкодера):
МАРКИРОВКА:

ТЕХНИЧЕСКИЕ ПАРАМЕТРЫ
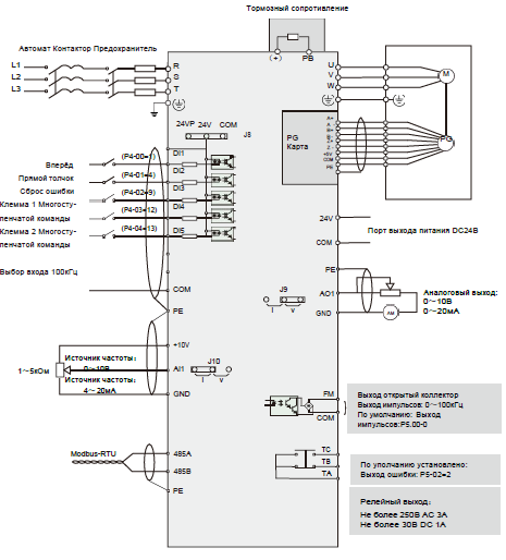
СХЕМА ПОДКЛЮЧЕНИЯ

УСТАНОВОЧНЫЕ РАЗМЕРЫ

| Основные атрибуты | |
|---|---|
| Производитель | RSI |
| Страна производитель | Китай |
| Мощность | 7.5 кВт |
| Количество дискретных выходов | 5 |
| Максимальный ток | 17 А |
| Количество фаз | 1 |
| Пользовательские характеристики | |
| Входное напряжение | 3х380 Вольт |
| Выходное напряжение | 3х380 Вольт |
| Номинальный ток Вход / Выход | 17 |
| Степень защиты IP | 20 |
| Мощность в общепромышленном режиме G | 7.5 кВт |
| Мощность в насосном режиме P | 7.5 кВт |
| Метод управления | вольт-частотное (U/f) управление, векторное управление |
| Последовательный интерфейс | RS485 (Modbus RTU) |
| Температура рабочая | -10...+40 °C |
| Сигналы задания частоты дискретный вход | 6 входов до 50 кГц |
| Защита двигателя | от пеегрузки, перегрева, перенапряжения, КЗ, потери фазы |
| Аналоговый вход | 4-20 мА / 0-10 В |
| Габариты | 12.4 х 24.5 х 17 |